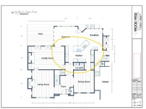
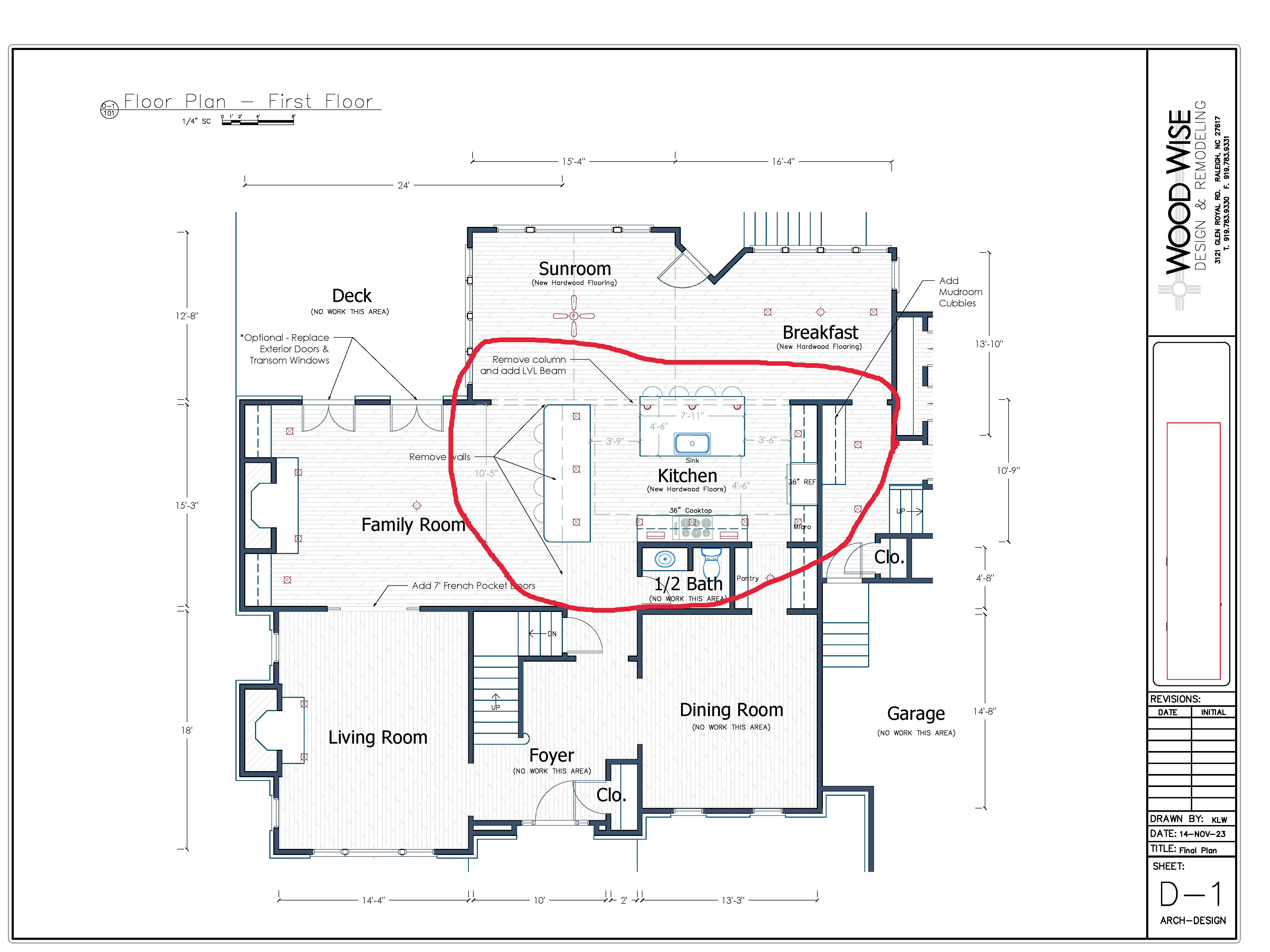
This project is close to the finish line! Significant interior plan changes such as extending the kitchen out into the existing breakfast/sunroom, getting rid of the awkward angled island, increasing more easily accessed storage, and removing the wall to the family room add up to a refreshing and much improved home. Stay tuned for the finished product photos soon!






